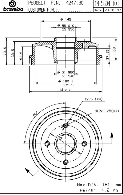
الجرن 14.5604.10 يرمز للموثوقية
طورت Brembo العديد من حلول التصميم للفرامل الجرنية التي تجمع بين مواد متعددة لتقليل الوزن الإجمالي. تُستكمل المجموعة الأكثر شيوعًا من جرنات الحديد الزهر المصنوعة من الجرافيت الرقائقي بجرنات ذات شفة مسننة من الصلب، وأخرى من الألومنيوم، حيث يُصنع الجزء الداخلي فقط من الجرن، وهو السطح الذي تعمل عليه الفكوك، أي شريط الفرامل—من الحديد الزهر الجرافيتي الرقائقي. بالإضافة إلى ذلك، تتم إضافة جرنات مع مجموعة محامل مدمجة وصرة إلى مجموعة المنتجات هذه.
مكافئ المعدات الأصلية
جودة Brembo
السلامة
متانة