الجرن 14.6794.10

Essential Line
لم يعد متاح

الجرن 14.6794.10 يرمز للموثوقية

طورت Brembo العديد من حلول التصميم للفرامل الجرنية التي تجمع بين مواد متعددة لتقليل الوزن الإجمالي. تُستكمل المجموعة الأكثر شيوعًا من جرنات الحديد الزهر المصنوعة من الجرافيت الرقائقي بجرنات ذات شفة مسننة من الصلب، وأخرى من الألومنيوم، حيث يُصنع الجزء الداخلي فقط من الجرن، وهو السطح الذي تعمل عليه الفكوك، أي شريط الفرامل—من الحديد الزهر الجرافيتي الرقائقي. بالإضافة إلى ذلك، تتم إضافة جرنات مع مجموعة محامل مدمجة وصرة إلى مجموعة المنتجات هذه.
مكافئ المعدات الأصلية
جودة Brembo
السلامة
متانة
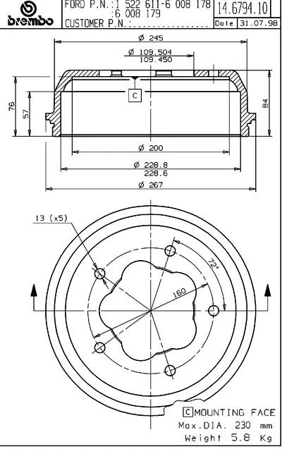
المواصفات الفنية
الجرنات
القُطر
228mm
العرض
57mm
الارتفاع
84mm
عدد الفتحات
5
الاتساق
109,5mm
حد القطر الاقصى
230mm
المحور
الجزء الخلفي
كود EAN
8020584679418
14.6794.10
سياسة الخصوصية">