الجرن 14.7004.10

Essential Line
لم يعد متاح

الجرن 14.7004.10 يرمز للموثوقية

طورت Brembo العديد من حلول التصميم للفرامل الجرنية التي تجمع بين مواد متعددة لتقليل الوزن الإجمالي. تُستكمل المجموعة الأكثر شيوعًا من جرنات الحديد الزهر المصنوعة من الجرافيت الرقائقي بجرنات ذات شفة مسننة من الصلب، وأخرى من الألومنيوم، حيث يُصنع الجزء الداخلي فقط من الجرن، وهو السطح الذي تعمل عليه الفكوك، أي شريط الفرامل—من الحديد الزهر الجرافيتي الرقائقي. بالإضافة إلى ذلك، تتم إضافة جرنات مع مجموعة محامل مدمجة وصرة إلى مجموعة المنتجات هذه.
مكافئ المعدات الأصلية
جودة Brembo
السلامة
متانة
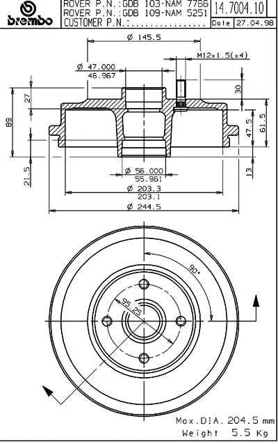
المواصفات الفنية
الجرنات
القُطر
203mm
العرض
47,5mm
الارتفاع
89mm
عدد الفتحات
4
الاتساق
47mm
حد القطر الاقصى
204,5mm
المحور
الجزء الخلفي
كود EAN
8020584700419
14.7004.10
سياسة الخصوصية">